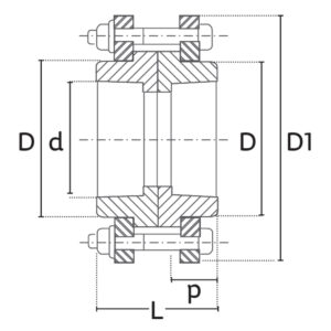
Unión Bridada Mixta Tuboplus Alta Presión (PPR-CT), conexión desmontable, resistente y segura para redes hidráulicas de alta presión y temperatura.
✅ Conexión desmontable por medio de brida.
✅ Alta resistencia química y mecánica.
✅ Ideal para instalaciones industriales y edificios altos.

