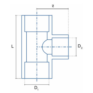
La Tee reducida Tuboplus Aire Acondicionado permite unir tuberías de distinto diámetro en sistemas HVAC, con alta resistencia, higiene y durabilidad.
✅ Fabricada en PP-R CT RP + fibra de vidrio.
✅ Alta resistencia a presión, químicos e impactos.
✅ 100 % reciclable y compatible con sistemas ecológicos.

