Envíos Express a todo México 🇲🇽
La tee con rosca central macho Tuboplus Hidráulico (PP-R) facilita la conexión de tres tuberías, incorporando una salida roscada macho en la derivación central para integrar accesorios metálicos. Fabricada en polipropileno copolímero random, ofrece alta resistencia a la presión del agua (hasta 24 kg/cm² a 20°C) y a impactos, evitando deformaciones o rupturas. Su instalación mediante termofusión garantiza uniones seguras y duraderas en sistemas hidráulicos.
✅ Instalación segura por termofusión.
✅ Resistente a presión (hasta 24 kg/cm²) e impactos.
✅ Conecta tres tuberías y accesorios metálicos.
Información Adicional
Marca: Rotoplas
Contáctanos por WhatsApp para brindarte:
✔ Descuento por volumen
✔ Atención personalizada
✔ Coordinación de envíos y logística
Descubre cómo el Tee con rosca central macho Tuboplus Hidráulico (PP-R) Tuboplus Hidráulico se instala en proyectos reales, asegurando sistemas de conducción de agua confiables y sin fugas.
La Tee con Rosca Central Macho Tuboplus Hidráulico (PP-R) es un accesorio diseñado para unir tres tuberías en un solo punto, integrando una salida roscada macho que facilita la conexión con otros componentes hidráulicos. Su fabricación en Polipropileno Copolímero Random (PP-R) le otorga resistencia a altas temperaturas, presión y agentes químicos, garantizando una instalación segura y libre de fugas.

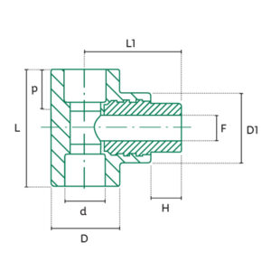
| Código | d | F | D | D1 | p | L | L1 | H | Peso (g) | |
|---|---|---|---|---|---|---|---|---|---|---|
| 2000172 | 20 | x | 1/2 | 29 | 36 | 16 | 54 | 45 | 12 | 107 |
| 2000173 | 25 | x | 1/2 | 33 | 43 | 18 | 63 | 51 | 12 | 121 |
| 2000174 | 25 | x | 3/4 | 33 | 43 | 18 | 63 | 54 | 15 | 124 |
| 2000176 | 32 | x | 1/2 | 42 | 54 | 20 | 74 | 57 | 12 | 161 |
| 2000177 | 32 | x | 3/4 | 42 | 54 | 20 | 74 | 60 | 15 | 204 |
| 2000175 | 32 | x | 1 | 42 | 54 | 20 | 74 | 65 | 20 | 294 |
La Tee con Rosca Central Macho Tuboplus Hidráulico (PP-R) es la solución ideal para instalaciones hidráulicas seguras y eficientes. Su diseño con salida roscada macho facilita la integración con otros accesorios, mientras que su material de alta resistencia y tecnología de termofusión garantizan una conexión duradera y libre de fugas.