Envíos Express a todo México 🇲🇽
La tee con rosca central hembra Tuboplus Hidráulico (PP-R) permite la conexión de tres tuberías de polipropileno copolímero random (PP-R), incorporando una salida roscada hembra en la derivación central para integrar accesorios metálicos. Fabricada con materiales de alta calidad, ofrece alta resistencia a impactos y soporta temperaturas extremas de agua desde -5°C hasta 90°C, así como presiones de hasta 24 kg/cm². Su instalación mediante termofusión garantiza uniones seguras y libres de fugas, asegurando la integridad del sistema hidráulico.
✅ Conecta tres tuberías PP-R y accesorios metálicos.
✅ Instalación segura por termofusión.
✅ Resistente a impactos, presión (hasta 24 kg/cm²) y temperatura (-5 °C a 90 °C).
Información Adicional
Marca: Rotoplas
Contáctanos por WhatsApp para brindarte:
✔ Descuento por volumen
✔ Atención personalizada
✔ Coordinación de envíos y logística
Descubre cómo el Tee con rosca central hembra Tuboplus Hidráulico (PP-R) Tuboplus Hidráulico se instala en proyectos reales, asegurando sistemas de conducción de agua confiables y sin fugas.
La Tee con rosca central hembra Tuboplus Hidráulico (PP-R) es una conexión diseñada para sistemas de tuberías hidráulicas que requieren derivaciones seguras y de alto rendimiento. Fabricada con polipropileno copolímero random (PP-R), esta pieza ofrece una unión confiable y duradera mediante el sistema de termofusión, evitando fugas y reduciendo el mantenimiento.

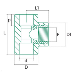
| Código | d | F | D | D1 | p | L | L1 | Peso (g) | |
|---|---|---|---|---|---|---|---|---|---|
| 2000166 | 20 | x | 1/2 | 29 | 37 | 16 | 54 | 33 | 71 |
| 2000167 | 25 | x | 1/2 | 33 | 43 | 18 | 63 | 39 | 85 |
| 2000168 | 25 | x | 3/4 | 33 | 43 | 18 | 63 | 39 | 105 |
| 2000170 | 32 | x | 1/2 | 42 | 54 | 20 | 74 | 44 | 127 |
| 2000171 | 32 | x | 3/4 | 42 | 54 | 20 | 74 | 44 | 149 |
| 2000169 | 32 | x | 1 | 42 | 54 | 20 | 74 | 44 | 180 |
La Tee con rosca central hembra Tuboplus Hidráulico (PP-R) es una solución eficiente y segura para instalaciones hidráulicas, proporcionando conexiones firmes y resistentes a largo plazo. Su fabricación en PP-R asegura un desempeño superior, ideal para aplicaciones domésticas, comerciales e industriales.