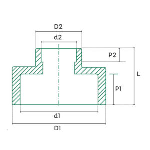
Reducción Tuboplus para sistemas hidráulicos PP-R. Permite unir tuberías de diferentes diámetros con un sellado seguro mediante termofusión. Resistente, duradera y fácil de instalar.
✅ Une tuberías de distintos diámetros.
✅ Alta resistencia y durabilidad.
✅ Ideal para sistemas hidráulicos eficientes.


