Envíos Express a todo México 🇲🇽
La Montura Derivación Macho PP Tuboplus Contraincendios es la solución ideal para realizar conexiones seguras y eficientes en sistemas de protección contra incendios. Su diseño innovador y materiales de última generación garantizan la máxima seguridad y durabilidad en cualquier tipo de instalación.
Información Adicional
Marca: Rotoplas
Contáctanos por WhatsApp para brindarte:
✔ Descuento por volumen
✔ Atención personalizada
✔ Coordinación de envíos y logística
Descubre cómo el Montura derivación macho PP Tuboplus Contraincendios (PPR-CT RP+FV) Tuboplus Hidráulico se instala en proyectos reales, asegurando sistemas de conducción de agua confiables y sin fugas.
La Montura Derivación Macho PP es un accesorio clave en los sistemas Tuboplus Contraincendios (PPR-CT RP+FV), diseñado para facilitar la conexión de nuevas líneas o derivaciones dentro de la instalación. Fabricada en polipropileno multicapa con fibra de vidrio, ofrece alta resistencia mecánica, estabilidad térmica y una conexión segura mediante unión por termofusión.

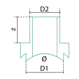
| SKU | D (mm) | D₁ (mm) | D tubo (mm) | z (mm) |
|---|---|---|---|---|
| 281117 | 63 x 110 | 63 | 110 | 40 |
La Montura Derivación Macho PP Tuboplus Contraincendios es la solución ideal para realizar conexiones seguras y eficientes en sistemas de protección contra incendios. Su diseño innovador y materiales de última generación garantizan la máxima seguridad y durabilidad en cualquier tipo de instalación.